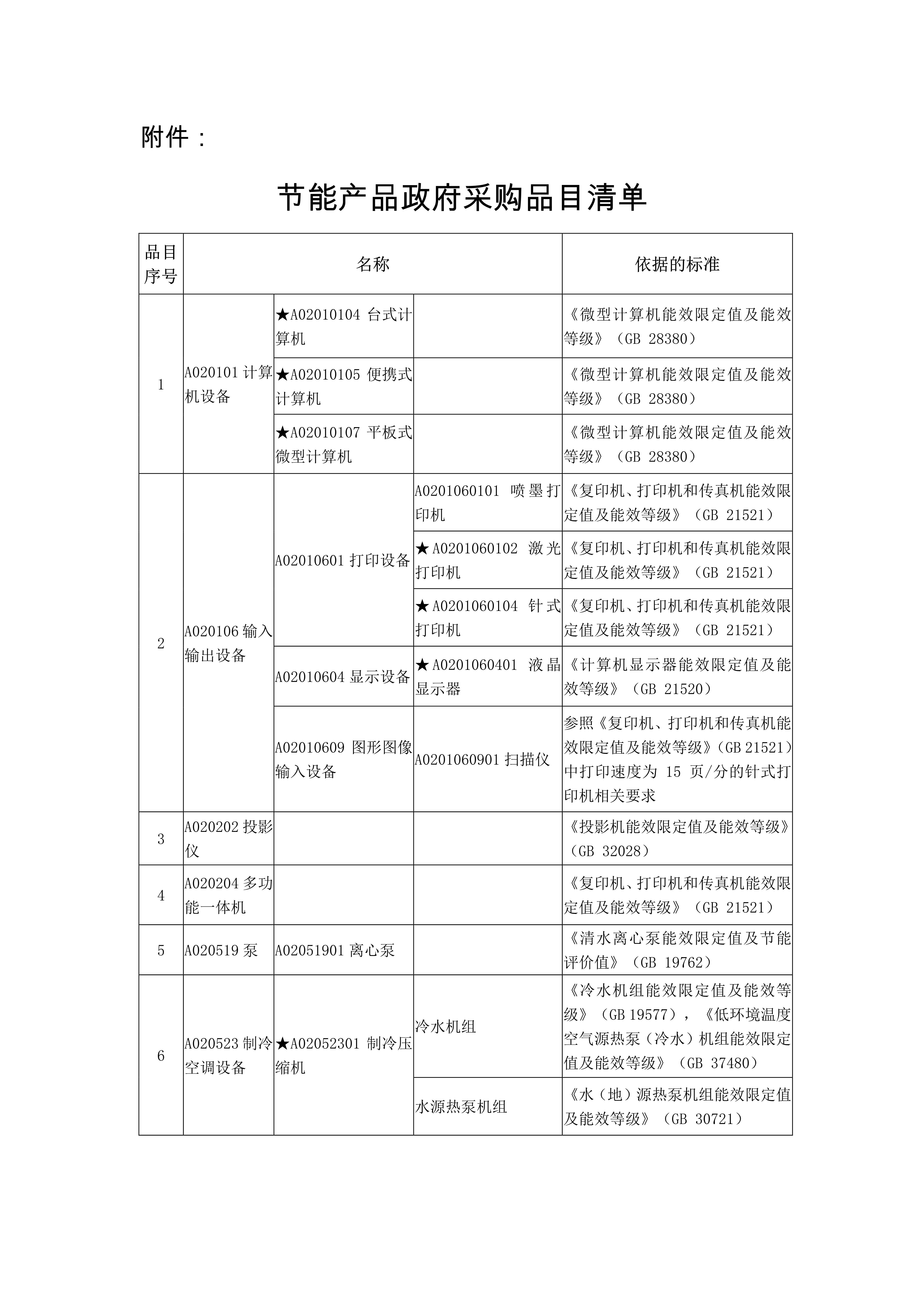
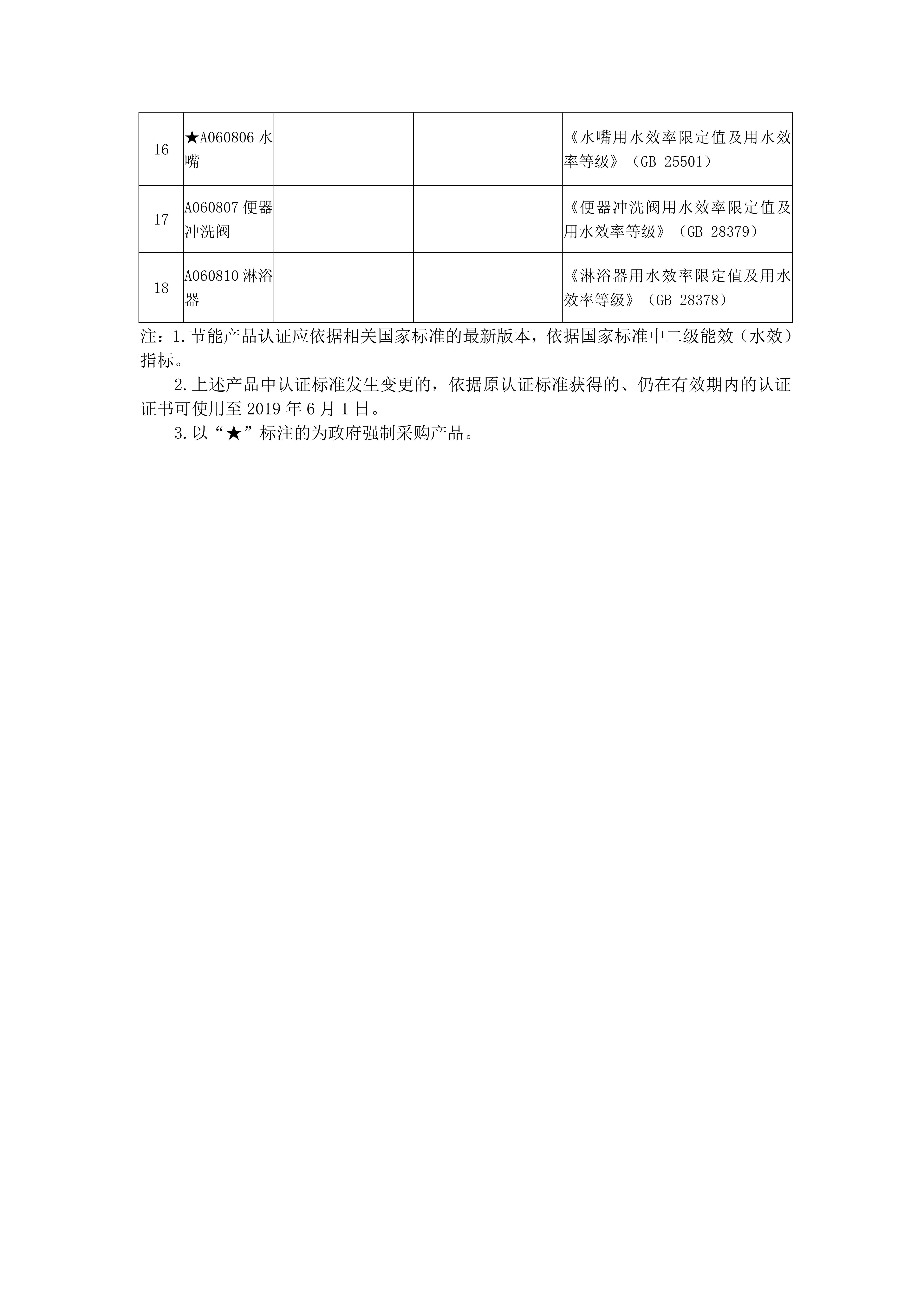
在采购招标活动中,会有一项内容提到节能产品,现行节能产品是按照财库[2019]19号文所附品目清单执行或最新公布的品目清单执行的。《节能产品政府采购品目清单》中的采购产品有哪些?

以下是《节能产品政府采购品目清单》:


“★”标注产品为强制采购产品,产品必须有对应节能产品认证证书,无节能产品认证证书将导致废标;那么附件中其他无“★”标注产品即为政府优先采购产品,产品有对应节能产品认证证书投标中可获得加分或优先采购,产品无对应节能产品认证证书也不会导致废标。
上一篇:中小企业声明函数据的有效填写
下一篇:关于“信用修复”